PD20MS系列綜合型低壓電動機保護器是我公司針對低壓電動機的各種故障特性而研發,是一款具有極高性價比,穩定可靠,集繼電器保護、測量、控制、通訊為一體的低壓電動機保護器。保護器通過采集受保護電動機回路中三相電流,三相線電壓,接地電流等數據,將這些數據計算后和保護器記錄的各種保護功能整定信息進行比較,當符合保護動作條件時,驅動繼電器輸出,從而達到可靠保護電動機的目的。
PD20MS低壓電動機保護器由保護器主機、顯示模塊、三相電流互感器MCT三部分組成。保護器主機可以脫離顯示模塊運行,實現測量功能、保護功能、電動機啟/停控制功能和遠程通訊功能;顯示模塊作為輔助裝置,可以根據需要進行配置。PD20MS以通訊功能作為遠程管理的重要手段,支持MODBUS-RTU、PROFIBUS-DP多種通訊總線協議。
PD20MS綜合型低壓電動機保護器符合以下安全標準:
GB/T14048.1-2012 低壓開關設備和控制設備 總則;
GB/T14048.4-2010 低壓開關設置和控制設置 機電式接觸器和電動機啟動器;
GB/T14048.5-2008 低壓開關設備和控制設置 控制電路電器和開關元件 第1部分:機電式控制電路電器
GB/T14048.6-2008 低壓開關設備和控制設備 第2部分:交流半導體電動機控制器和啟動器
可用于0.66KV及以下電壓等級各種電流規格電動機的全面保護;
PD20MS配套MCT(三相一體式電流互感器),最大電流規格達到400A;
綜合型低壓電動機保護器通過監測低壓MCC(Motor Control Center)回路的電流、電壓、漏電電流等參數對電動機進行全面保護(具有啟動超時、過載、堵轉、斷相、不平衡、接地故障、短路、欠載、過壓、欠壓、相序錯亂、滿溢故障跳斷路器等多種保護功能;并可選漏電保護、超溫保護、tE時間保護、“抗晃電”功能,和欠失壓重啟動功能);
采用寬溫型漢化LCD以及高亮指示燈結合顯示運行狀態及數據;
可編程設置,可在現場方便地更改整定電流、保護定值等參數;
可選配1路或2路RS485通訊接口,采用MODBUS-RTU協議與后臺組網通訊;也可選擇PROFIBUS-DP通訊接口,PROFIBUS V1.0版通訊協議;
可選配1路DC4~20mA模擬量變送輸出到后臺工控機;
提供8路開關量輸入采集(可擴展到10DI)和4路繼電器輸出,可適用于多種起動控制方式;
電源電壓:AC/DC85V~265V(交直流通用,寬范圍),方便設計應用;保護器可擴展為雙電源輸入;
保護器主體采用35mm標準導軌安裝方式,方便安裝與拆卸;顯示模塊屏裝(開孔尺寸為96.5mm×55mm);
具有8次故障事件記錄功能、運行信息統計功能、有功/無功電度計量功能。

注1:根據電動機銘牌電流或額定功率選擇合適的電流規格(保護器“電流規格”應略大于電動機銘牌電流),當電動機銘牌電流>400A時,需外置二次電流為5A的保護型電流互感器(A、B、C三相各一個,選型資料見P58頁);
注2:選配功能可同時選擇多種(其中“漏電實采保護S”、“接地實采保護J”和“接地故障合成計算保護”三選一,默認配置“接地故障合成計算保護”),雙通訊冗余方式可選擇M2(2路RS485接口,MODBUS-RTU協議)或MP(1路RS485接口/MODBUS-RTU協議,另加1路PROFIBUS-DP通訊接口);
注3:保護器本體與顯示模塊采用標準的DB9串口線連接,訂貨時需標清DB9串口連接線長度,DB9串口線標配1米,可選1米、3米、5米三種長度。
技術參數 | 技術指標 | |
保護器輔助工作電源 | AC/DC85V~265V(交直流通用,寬范圍),可擴展為雙電源輸入(第二路為DC110V); | |
保護器適用電壓系統 | AC380V、AC660V((50Hz或60Hz,經PT則標注為AC380V/100V、AC660V/100V) | |
保護器功耗 | 正常工作時≤10W,保護啟動時≤15W | |
保護器電流規格 | 2A(適用電機電流范圍0.5A~2A) | 選用400A及以下電流規格的保護器(框架斷路器回路除外),主回路三相電纜同方向分別穿過保護器配套的相應規格電流互感器MCT的A、B、C三相孔中,不需另配電流互感器 |
6.3A(適用電機電流范圍:2A~6.3A) | ||
30A(適用電機電流范圍:6.3A~30A) | ||
100A(適用電機電流范圍:30A~100A) | ||
200A(適用電機電流范圍:80A~200A) | ||
400A(適用電機電流范圍:160A~400A) | ||
xxA/5A(適用電機電流范圍:大于400A的回路或采用框架斷路器控制的回路) | 選用400A以上電流規格的保護器時,主回路的三相線一次穿過變比為5A的三個外置電流互感器,CT的二次線按定義接入保護器電流信號輸入端口。 | |
繼電器輸出觸點 | 4路繼電器輸出 | 繼電器觸點容量:AC 250V/8A |
開關量輸入 | PD20MS具有8路光耦隔離的開關量輸入(可擴展到10DI),外部須接AC220V、DC220V或DC110V電源,與DI公共端構成回路。 | |
正常使用環境 | 工作溫度 | -25℃~+55℃ |
相對濕度 | 5%~93%不結露 | |
海拔 | ≤2500m | |
形式功能 | 功能配置 | ||
標準配置 | 增選配置 | ||
電動機保護功能 | 啟動超時保護 | √ | |
過載保護、過流堵轉保護、短路保護 | √ | ||
電流不平衡保護、斷相保護 | √ | ||
接地故障合成計算保護 | √ | ||
欠載保護 | √ | ||
溢出故障(故障電流超過接觸器分斷能力)跳斷路器 | √ | ||
漏電保護/接地故障實采保護(需配剩余電流/接地電流互感器) | √ | ||
溫度保護(PTC/NTC) | √ | ||
tE時間保護(增安型防爆電機選用) | √ | ||
過壓保護、欠壓保護 | √ | ||
頻率保護、欠功率因數保護、相序保護 | √ | ||
抗晃電 | √ | ||
控制模式 | 保護模式 | √ 可編程 | |
直接啟動控制接觸器模式 | |||
雙向可逆啟動模式 | |||
星/三角啟動模式 | |||
自耦變壓器啟動模式 | |||
雙速啟動模式 | √ 獨立版 | ||
直接啟動控制斷路器模式 | |||
數字通訊 | RS485接口,通訊協議:MODBUS-RTU | √ | |
PROFIBUS-DP接口,通訊協議:PROFIBUS V1.0 | √ | ||
開關量輸入 | 標配8路DI,可擴展到10DI | √ | 10DI為增選 |
繼電器輸出 | 標配4路DO | √ | |
模擬量輸出 | 一路DC4~20mA模擬量變送輸出,參數可編程 | √ | |
發光管指示 | 啟動、運行、故障指示 | √ | |
測量顯示 | 三相電流、接地電流、三相電流不平衡率、熱容、熱阻、三相線電壓、頻率、功率因數、有功功率、無功功率、電能 | √ | |
漏電電流 | √ | ||
保護定值設定 | 各種保護定值查詢、整定 | √ | |
故障記錄 | 記錄多達8次最近發生的故障信息,分辨率1s | √ | |
統計信息 | 查詢電機的總運行時長、總停車時長、跳閘次數、停車次數 | √ | |
欠失壓重啟動 | 配合電壓檢測功能模塊可實現短時欠壓、失壓重啟動功能 | √ | |
● 保護器本體外形尺寸

注:保護器本體采用標準35mm導軌安裝方式,本體與顯示模塊采用標準的DB9串口線連接,DB9串口線標配1米,可選1米、3米、5米三種長度。
● 顯示模塊外形尺寸:

● 顯示模塊安裝示意圖(開孔尺寸建議為96.5mm×55mm):

● 配套三相一體式電流互感器外形尺寸及安裝方式:

規格型號 | 外形尺寸 | 穿孔尺寸 | 安裝尺寸 | 安裝方式 | 配套保護器電流規格 | |||
L | W | H | D | L1 | M | |||
MCT6.3 | 100 | 28 | 38 | Φ9.5 | 91 | 4 | 螺栓安裝 | 主回路直接接入:2A、6.3A |
MCT30 | 108 | 30 | 40 | Φ15 | 100 | 4 | 螺栓安裝 | 主回路直接接入:30A |
MCT100 | 116 | 42 | 45 | Φ20 | 108 | 4.5 | 螺栓安裝 | 主回路直接接入:100A |
MCT200 | 157 | 33 | 63 | Φ25 | 146 | 4 | 螺栓安裝 | 主回路直接接入:200A |
MCT400 | 142 | 50 | 135 | Φ40 | 121×53 | 4.5 | 螺栓安裝 | 主回路直接接入:400A |
配套三相一體式互感器分5種規格型號:
1、MCT6.3(D=9.5mm),適用于2A、6.3A(三相主回路電纜同方向一次穿過3個Ф9.5mm穿線孔);
2、MCT30(D=15mm),適用于30A(三相主回路電纜同方向一次穿過3個Ф15mm穿線孔);
3、MCT100(D=20mm),適用于100A(三相主回路電纜同方向一次穿過3個Ф20mm穿線孔);
4、MCT200(D=25mm),適用于200A(三相主回路電纜同方向一次穿過3個Ф25mm穿線孔);
5、MCT400(D=40mm),適用于400A(三相主回路電纜同方向一次穿過3個Ф40mm穿線孔)。
注:當電流>400A或采用框架斷路器時,需外置二次電流為5A的保護型電流互感器(A、B、C三相各一個),二次5A電流信號按定義接入保護器三相電流信號輸入端口,CT變比可以在保護器內設置。
三相電流互感器安裝方式:在柜內合適的位置開兩個間距為L1的Φ4.5mm圓孔,用兩個M4螺栓,配合螺母、彈墊等把三相電流互感器固定住。
● 端子定義(具體見相對應接線圖):
端子編碼 | 端子定義 | 注釋 | 初始狀態 |
1 | L/+ | 工作電源輸入L/+ | / |
2 | N/- | 工作電源輸入N/- | / |
3 | GND | 接地端 | / |
4 | DI1 | 開關量信號輸入1 | / |
5 | DI2 | 開關量信號輸入2 | / |
6 | DI3 | 開關量信號輸入3 | / |
7 | DI4 | 開關量信號輸入4 | / |
8 | DI5 | 開關量信號輸入5 | / |
9 | DI6 | 開關量信號輸入6 | / |
10 | DI7 | 開關量信號輸入7 | / |
11 | DI8 | 開關量信號輸入8 | / |
12 | DI公共端 | 開關量信號輸入公共端 | / |
13 | DO1-1 | A繼電器輸出 | 常開 |
14 | DO1-2 | ||
15 | DO2-1 | B繼電器輸出 | 常開 |
16 | DO2-2 | ||
17 | DO3-1 | C繼電器輸出 | 常開(17,18) 常閉(18,19) |
18 | DO3-2 | ||
19 | DO3-3 | ||
20 | DO4-1 | D繼電器輸出 | 常開(20,21) 常閉(21,22) |
21 | DO4-2 | ||
22 | DO4-3 | ||
23 | 485A1 | RS485通訊接口-1 | / |
24 | 485B1 | ||
25 | UA | A相電壓輸入 | / |
26 | UB | B相電壓輸入 | / |
27 | UC | C相電壓輸入 | / |
28 | NULL | 預留 | / |
29 | DI9 | 開關量信號輸入9 | / |
30 | DI10 | 開關量信號輸入10 | / |
31 | RT1 | 熱阻輸入端 | / |
32 | RT2 | / | |
33 | NA+ | 4~20mA模擬量輸出+ | / |
34 | NA- | 4~20mA模擬量輸出- | / |
35 | 485A2 | RS485通訊接口-2 | / |
36 | 485B2 | ||
41 | IA | 三相電流輸入 (400A及以下回路,配套MCT的4芯端子直插;>400A回路,外置保護CT的二次線信號按定義接入到相應輸入端子上) | / |
43 | IB | ||
45 | IC | ||
46 | IN | ||
47 | Is1 | 剩余電流/接地電流信號輸入端 | / |
48 | Is2 | ||
51 | DY2+ | 備用工作電源輸入+ | / |
52 | DY2- | 備用工作電源輸入- | / |
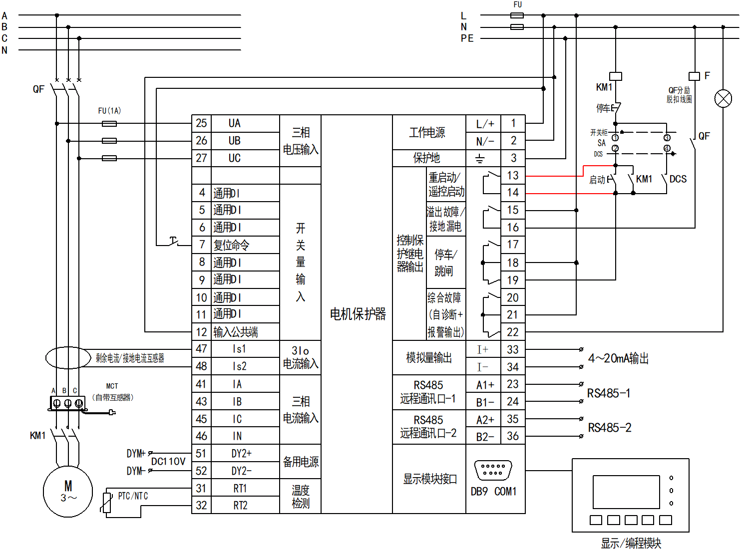
● 典型控制模式接線圖
下面主要列舉PD20MS典型應用的三種控制模式接線圖:保護模式、直接啟動控制接觸器模式、直接啟動控制斷路器模式接線圖。其余的控制模式接線圖(雙向可逆啟動模式、星/三角啟動模式、雙速電機啟動模式等)如需查看,請致電到我公司技術支持部(0510-86250305)索取。
PD20MS保護模式接線圖

PD20MS保護模式下,保護器中DO3(停車/跳閘繼電器)的常閉接點串在控制電機接觸器KM1 的線圈回路中,當保護器上電后,DO3保持閉合狀態,此時等待啟動電動機。按動“啟動”按鈕,KM1線圈得電,電機主回路中的KM1主觸頭和并接在“啟動”按鈕兩端的KM1輔助接點吸合并自鎖,電動機得電啟動后正常運行。當按動“停車”按鈕或保護器檢測到跳閘類故障后DO3(停車/跳閘繼電器)斷開,接觸器KM1 釋放,電動機停車。故障跳閘后需按復位鍵3秒以上方可清除故障指示,DO3(停車/跳閘繼電器)恢復閉合,進入啟動就緒狀態,允許電機再次啟動。
注1:圖中MCT為保護器自帶電流互感器,≤400A 電流規格保護器,三相主線路的電纜同方向一次穿芯,MCT引出線自帶的4芯端子直接插接到保護器的三相電流輸入端口(41#~46#);當電動機的額定電流>400A時,三相主線路的電纜預先一次穿過3個外部保護CT(P1進,P2出),將3個外部CT二次側5A電流線按定義接入到三相電流輸入端口(41#~46#),3個外部保護CT的S2端并接地。
注2:當保護器檢測到的故障電流大于接觸器的最大分斷能力電流時(須預先在保護器系統參數中設置好接觸器最大分斷電流:如9倍Ie),先保持DO3為原狀態(此時不跳接觸器,否則接觸器的主觸頭容易損傷),待“溢出故障繼電器”吸合動作(脈沖),控制斷路器分閘來保護電動機和線路后,延時1秒再動作DO3(停車/跳閘繼電器),斷開接觸器,報“溢出故障”。
注3:選擇漏電保護功能時,應選取合適穿線孔徑的剩余電流互感器(電動機回路A、B、C三相線同時穿過配套剩余電流互感器,選型資料見P56頁)。當選擇接地實采保護功能時,應選取合適穿線孔徑的二次電流為5A的接地電流互感器(客戶自配)。
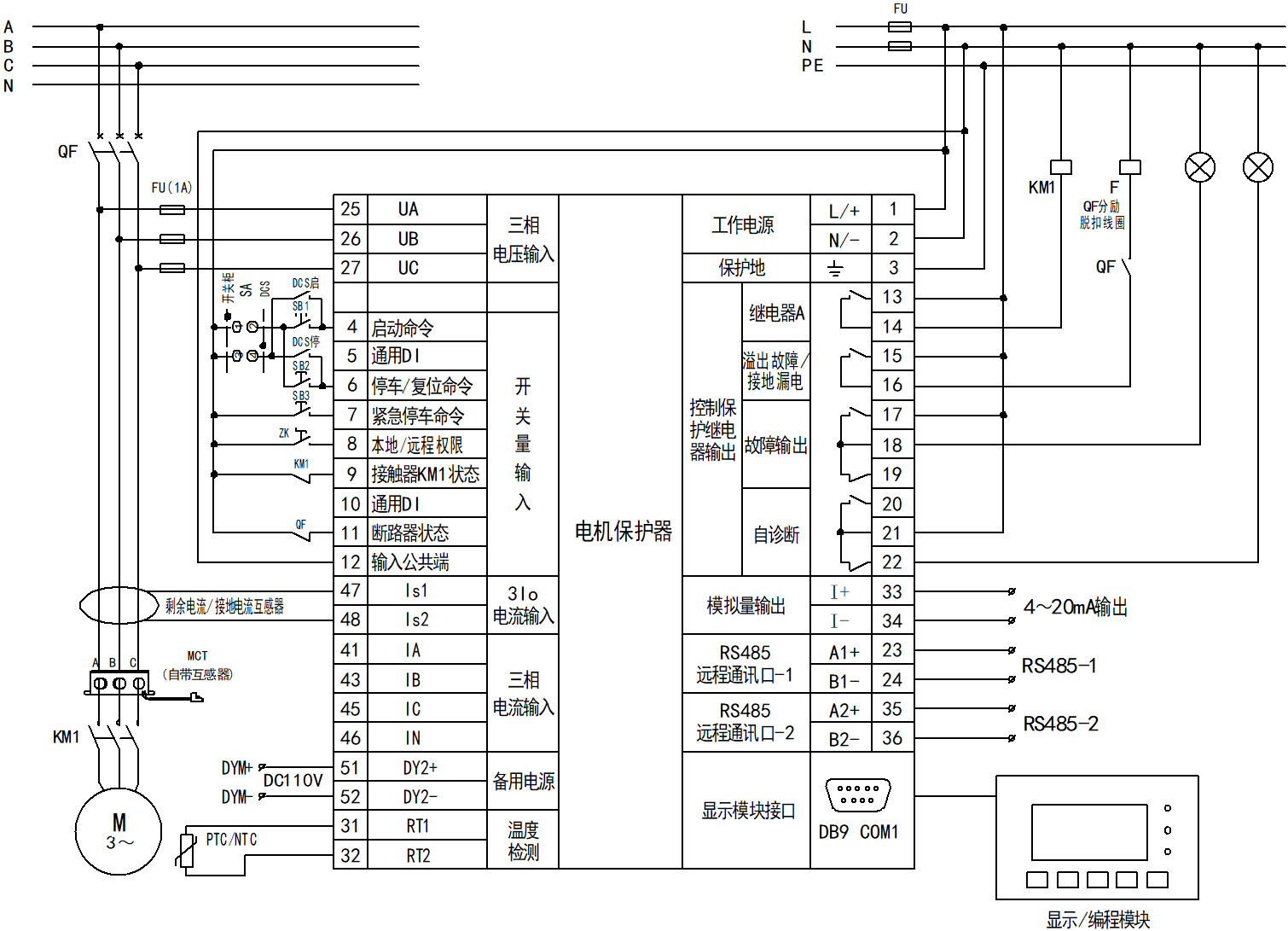
PD20MS直接啟動控制接觸器模式接線圖

PD20MS直接啟動控制接觸器模式下,保護器上電進入啟動就緒狀態,顯示模塊顯示“直接啟動”。當保護器收到啟動命令時,內部繼電器A 吸合,則接觸器KM1 得電吸合,啟動過程中“啟動”燈亮,顯示“正在啟動”;啟動結束,“啟動”燈滅,“運行”燈亮,顯示模塊顯示“正在運行”。當保護器收到停車命令,或者有保護跳閘動作發生時,繼電器A斷開,接觸器KM1 釋放,電動機停車;停車過程結束后,進入啟動就緒狀態時,顯示模塊顯示“直接啟動”。故障跳閘后需按復位鍵3秒以上方可清除故障指示。
注1:直接啟動模式下,啟動、停車/復位操作可以由本地、遠端、程控三種控制權限操作中的某一種來完成。由接到DI5的ZK開關來選擇本地/遠程操作權限:DI5斷開為低電平時,本地權限(保護器按鍵控制);DI5接通為高電平時,遠程權限(遠端DI、程控,默認為DI--開關柜按鈕/DCS開關量命令控制;當上位機設置為程控后,由監控系統控制電機啟/停)。若不需要保護器按鍵控制電機啟/停,ZK開關接點可直接短接,固定為遠程操作權限。“緊急停車”按鈕與保護器主機上的紅色復位按鈕一樣,不受DI5操作權限限制。上圖中作用于DI的按鈕都采用點動式,停車/復位按鈕短按為停車,長按>3秒停車并復位。
注2:圖中MCT為保護器自帶電流互感器,≤400A 電流規格保護器,三相主線路的電纜同方向一次穿芯,MCT引出線自帶的4芯端子直接插接到保護器的三相電流輸入端口(41#~46#);當電動機的額定電流>400A時,三相主線路的電纜預先一次穿過3個外部保護CT(P1進,P2出),將3個外部CT二次側5A電流線按定義接入到三相電流輸入端口(41#~46#),3個外部保護CT的S2端并接地。
注3:“溢出故障”、“接地/漏電故障動作”先跳開斷路器,延時1秒斷開接觸器。
注4:選擇漏電保護功能時,應選取合適穿線孔徑的剩余電流互感器(電動機回路A、B、C三相線同時穿過配套剩余電流互感器,選型資料見P56頁)。當選擇接地實采保護功能時,應選取合適穿線孔徑的二次電流為5A的接地電流互感器(客戶自配)。
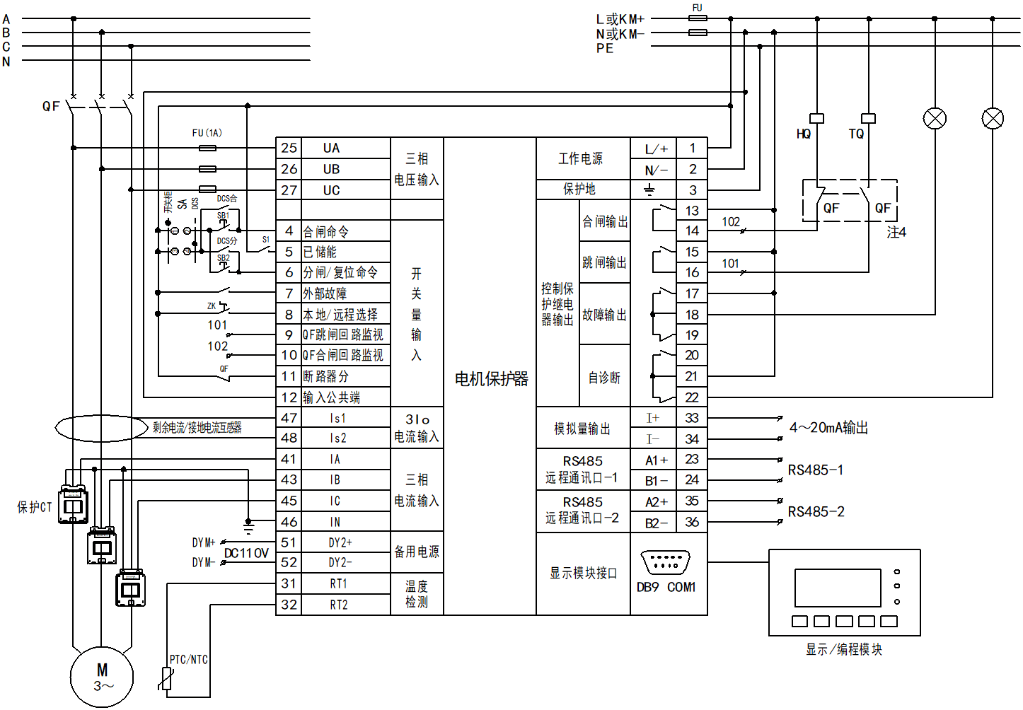
PD20MS直接啟動控制斷路器模式接線圖(框架斷路器回路)

PD20MS直接啟動控制斷路器模式下,當保護器上電后進入啟動就緒狀態,顯示模塊顯示“斷路器啟動”。當保護器收到合閘命令時,內部繼電器A (合閘繼電器)吸合,則斷路器合閘線圈得電,斷路器合閘,啟動電動機運轉,啟動過程中“啟動”燈亮,顯示“正在啟動”;啟動結束,“啟動”燈滅,“運行”燈亮,顯示模塊顯示“正在運行”。當保護器收到分閘命令,或者有保護跳閘動作發生時,繼電器B(分閘繼電器)吸合,則斷路器分勵線圈得電,斷路器分閘,電動機冷卻停車;停車過程結束后,進入啟動就緒狀態時,顯示模塊顯示“斷路器啟動”。故障跳閘后需按遠程“復位按鈕”或保護器主機上的紅色復位按鈕方可清除故障指示。
注1:合閘、分閘、復位控制可以由本地、遠端、程控三種控制權限操作中的某一種來完成。由接到DI5的ZK開關來選擇本地/遠程操作權限:DI5斷開為低電平時,本地權限(保護器按鍵控制);DI5接通為高電平時,遠程權限(遠端DI、程控,默認為DI--開關柜按鈕/DCS開關量命令控制;當上位機設置為程控后,由監控系統控制電機啟/停)。若不需要保護器按鍵控制合/分閘,ZK開關接點可直接短接,固定為遠程操作權限。“外部故障”可作為急停信號,與保護器主機上的紅色復位按鈕一樣,不受DI5操作權限限制。上圖中作用于DI的按鈕都采用點動式,分閘/復位按鈕短按為分閘,長按>3秒分閘并復位。
注2:大功率的電機采用框架斷路器直接啟動控制時,三相主線路的銅排預先穿過3個外部保護CT(P1進,P2出),將3個外部CT二次側5A電流線按定義接入到三相電流輸入端口(41#~46#),3個外部保護CT的S2端并接地。
注3:選擇漏電保護功能時,應選取合適穿線孔徑的剩余電流互感器(電動機回路A、B、C三相線同時穿過配套剩余電流互感器)。當選擇接地實采保護功能時,應選取合適穿線孔徑的二次電流為5A的接地電流互感器(客戶自配)。
注4:上圖二次控制回路的斷路器合閘線圈和跳閘線圈回路中,建議如圖中所示,分別接入斷路器的常閉和常開輔助觸點。