PD20KL系列智能型低壓線路保護測控裝置(以下簡稱PD20KL或保護測控裝置)是我公司針對低壓線路的各種故障特性而研發的新一代智能型低壓測控裝置;是一款具有極高性價比,穩定可靠,集繼電器保護、測量、控制、通訊為一體的低壓測控裝置。測控裝置通過采集受保護回路中三相電流,三相線電壓,接地電流等數據,將這些數據計算后和測控裝置記錄的各種保護功能整定信息進行比較,當符合保護動作條件時,驅動繼電器輸出,從而達到可靠保護低壓線路的目的。
PD20KL保護測控裝置由測控裝置主機、三相電流互感器MCT兩部分組成。測控裝置可以實現測量功能、保護功能、分/合閘控制功能和遠程通訊功能。PD20KL以通訊功能作為遠程管理的重要手段,支持MODBUS-RTU通訊總線協議。
PD20KL智能型低壓線路保護測控裝置符合以下安全標準:
GB/T14048.1-2012 低壓開關設備和控制設備 總則;
GB/T14048.5-2008 低壓開關設備和控制設置 控制電路電器和開關元件 第1部分:機電式控制電路電器
可用于0.66KV及以下電壓等級各種電流規格饋出線路的全面保護;
PD20KL配套MCT(三相一體式電流互感器),最大電流規格達到400A;
智能型低壓線路保護測控裝置通過監測低壓PC(Power Center)回路的電流、電壓、漏電電流等參數,與低壓進線、饋線回路的斷路器配合,實現分合閘操作與監控管理;可選配漏電跳閘,欠壓報警或跳閘,三段式過流保護等功能,對饋線回路實現完善的保護;
采用寬溫型漢化LCD以及高亮指示燈結合顯示運行狀態及數據;
可編程設置,可在現場方便地更改整定電流、保護定值等參數;
可選配1路RS485通訊接口,采用MODBUS-RTU協議與后臺組網通訊
可選配1路DC4~20mA模擬量變送輸出到后臺工控機;
提供6路開關量輸入采集和3路繼電器輸出,滿足低壓線路的智能保護測控要求;
電源電壓:AC/DC85V~265V(交直流通用,寬范圍),方便設計應用;
測控裝置采用面板開孔屏裝方式(開孔尺寸為76mm×76mm);
具有32次故障事件記錄功能、有功/無功電度計量功能。

注1:測控裝置“電流規格”應略大于線路設計電流,當線路設計電流>400A或采用框架斷路器時,需外置二次電流為5A的保護型電流互感器(A、B、C三相各一個,選型資料見P58頁);
注2:選配功能可同時選擇多種(其中“漏電實采保護S”、“接地實采保護J”和“接地故障合成計算保護”三選一,默認配置“接地故障合成計算保護”);
注3:測控裝置配套的三相電流互感器(MCT)連接線長度,標配1米,可選1米、3米、5米三種長度。
技術參數 | 技術指標 | |
測控裝置輔助工作電源 | AC/DC85V~265V(交直流通用,寬范圍) | |
測控裝置適用電壓系統 | AC380V、AC660V(50Hz或60Hz,經PT則標注為AC380V/100V、AC660V/100V) | |
測控裝置功耗 | 正常工作時≤8W,保護啟動時≤12W | |
測控裝置電流規格 | 2A(適用電流范圍:0.5A~2A) | 選用400A及以下電流規格的測控裝置(框架斷路器回路除外),主回路三相電纜同方向分別穿過測控裝置配套的相應規格電流互感器MCT的A、B、C三相孔中,不需另配電流互感器 |
6.3A(適用電流范圍:2A~6.3A) | ||
30A(適用電流范圍:6.3A~30A) | ||
100A(適用電流范圍:30A~100A) | ||
200A(適用電流范圍:80A~200A) | ||
400A(適用電流范圍:160A~400A) | ||
xxA/5A(適用電流范圍:大于400A的回路或采用框架斷路器控制的回路) | 選用400A以上電流規格的測控裝置時,主回路的三相線一次穿過變比為5A的三個外置電流互感器,將CT二次側5A電流線同向一匝穿過測控裝置MCT。 | |
繼電器輸出觸點 | 3路繼電器輸出 | 繼電器觸點容量:AC 250V/5A |
開關量輸入 | PD20KL具有6路光耦隔離的開關量輸入(DI定義可設置),外接無源干節點。 | |
正常使用環境 | 工作溫度 | -25℃~+55℃ |
相對濕度 | 5%~93%不結露 | |
海拔 | ≤2500m | |
形式功能 | 功能配置 | ||
標準配置 | 增選配置 | ||
線路保護功能 | 電流速斷保護(低電壓閉鎖過流一段) | √ | |
電流限時速斷保護(低電壓閉鎖過流二段) | √ | ||
過電流保護(過流三段) | √ | ||
過負荷保護 | √ | ||
接地故障合成計算保護 | √ | ||
彈簧未儲能告警 | √ | ||
工藝聯鎖(外部故障聯跳) | √ | ||
PT 斷線告警 | √ | ||
漏電保護/接地故障實采保護(需配剩余電流/接地電流互感器) | √ | ||
過壓保護 | √ | ||
欠壓保護 | √ | ||
控制模式 | 線路保護模式 | √ 可編程 | |
線路測控模式 | |||
數字通訊 | RS485接口,通訊協議:MODBUS-RTU | √ | |
開關量輸入 | 標配6路DI | √ | |
繼電器輸出 | 標配3路DO | √ | |
模擬量輸出 | 一路DC4~20mA模擬量變送輸出,參數可編程 | √ | |
發光管指示 | 分位、合位、故障指示 | √ | |
測量顯示 | 三相電流、接地電流、三相電流不平衡率、三相線電壓、頻率、功率因數、有功功率、無功功率、電能 | √ | |
漏電電流 | √ | ||
保護定值設定 | 各種保護定值查詢、整定 | √ | |
系統參數設置 | 額定電流、系統時間等參數可手動設置 | √ | |
故障記錄 | 記錄多達32次最近發生的故障信息,分辨率1s | √ | |
● 測控裝置主機外形尺寸(單位:mm)

● 測控裝置主機安裝方式:
PD20KL線路測控裝置,采用面板嵌入式安裝方式,在配電柜門板上預先開一個76×76mm的方孔,拔下測控裝置兩側的固定卡,把測控裝置從門板正面放入安裝孔中,再用配套的固定卡插入裝置兩側的卡槽,然后前推,把測控裝置可靠地固定在門板上。
● 配套三相一體式電流互感器(MCT)外形尺寸及安裝方式:

規格型號 | 外形尺寸 | 穿孔尺寸 | 安裝尺寸 | 安裝方式 | 配套側控裝置電流規格 | |||
L | W | H | D | L1 | M | |||
MCT6.3 | 100 | 28 | 38 | Φ9.5 | 91 | 4 | 螺栓安裝 | 主回路直接接入:2A、6.3A 主回路經外置CT:1A、5A |
MCT30 | 108 | 30 | 40 | Φ15 | 100 | 4 | 螺栓安裝 | 主回路直接接入:30A |
MCT100 | 116 | 42 | 45 | Φ20 | 108 | 4.5 | 螺栓安裝 | 主回路直接接入:100A |
MCT200 | 157 | 33 | 63 | Φ25 | 146 | 4 | 螺栓安裝 | 主回路直接接入:200A |
MCT400 | 142 | 50 | 135 | Φ40 | 121×53 | 4.5 | 螺栓安裝 | 主回路直接接入:400A |
配套三相一體式互感器(MCT)分5種規格型號:
1、MCT6.3(D=9.5mm),適用于2A、6.3A(三相主回路電纜同方向一次穿過3個Ф9.5mm穿線孔),以及大于400A回路的外置CT輸入信號1A、5A(三相外置CT的二次線,同方向一匝穿過3個Ф9.5mm穿線孔);
2、MCT30(D=15mm),適用于30A(三相主回路電纜同方向一次穿過3個Ф15mm穿線孔);
3、MCT100(D=20mm),適用于100A(三相主回路電纜同方向一次穿過3個Ф20mm穿線孔);
4、MCT200(D=25mm),適用于200A(三相主回路電纜同方向一次穿過3個Ф25mm穿線孔)。
5、MCT400(D=40mm),適用于400A(三相主回路電纜同方向一次穿過3個Ф40mm穿線孔)。
注:當電流>400A或采用框架斷路器時,需外置二次電流為5A的保護型電流互感器(A、B、C三相各一個),二次5A電流信號按MCT穿孔定義、同方向一匝穿過側控裝置三相電流互感器MCT6.3,CT變比可以在側控裝置內設置。
三相電流互感器安裝方式:在柜內合適的位置開兩個間距為L1的Φ4.5mm圓孔,用兩個M4螺栓,配合螺母、彈墊等把三相電流互感器固定住。
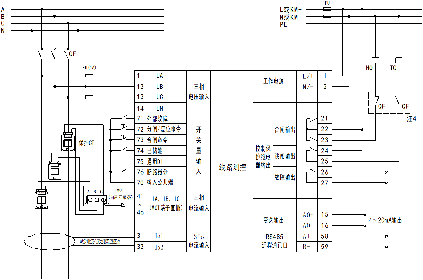
● 端子定義(具體見相對應接線圖):
端子編碼 | 端子定義 | 注釋 | 初始狀態 |
1 | L+ | 工作電源正極 | / |
2 | N- | 工作電源負極 | / |
21 | DO1 | 繼電器出口1 | 常閉(21#-22#) 常開(23#-22#) |
22 | |||
23 | |||
24 | DO2 | 繼電器出口2 | 常開 |
25 | |||
26 | D03 | 繼電器出口3 | 常開 |
27 | |||
70 | DICOM | 開關量輸入公共端 | / |
71 | DI1 | 開關量輸入1 | / |
72 | DI2 | 開關量輸入2 | / |
73 | DI3 | 開關量輸入3 | / |
74 | DI4 | 開關量輸入4 | / |
75 | DI5 | 開關量輸入5 | / |
76 | DI6 | 開關量輸入6 | / |
15 | AO+ | 4~20mA模擬量輸出+ | / |
16 | AO- | 4~20mA模擬量輸出- | / |
58 | 485A+ | RS485通訊 | / |
59 | 485B- | ||
41 | IA | 三相電流輸入 (4芯端子直插) | / |
43 | IB | / | |
45 | IC | / | |
46 | IN | / | |
11 | UA | A相電壓輸入 | / |
12 | UB | B相電壓輸入 | / |
13 | UC | C相電壓輸入 | / |
14 | UN | 電壓N線輸入 | / |
31 | Io1 | 剩余電流/接地電流互感器輸入端1 | / |
32 | Io2 | 剩余電流/接地電流互感器輸入端2 | / |
● PD20KL低壓線路保護模式接線圖(塑殼斷路器回路)

PD20KL線路保護模式下,保護裝置左上角顯示“線路保護”字樣,當保護裝置有保護跳閘動作發生時,繼電器B(跳閘繼電器)吸合,則斷路器分勵線圈得電,斷路器跳閘,“分位”燈亮。故障跳閘后需長按保護裝置“復位按鍵”、開關柜“復位按鈕”方可清除故障指示和故障狀態。
注1:線路保護模式下,測控裝置不可進行分合閘操作,只能作故障跳閘及復位控制。外部故障保護功能可選擇關閉或打開,開入類型可選擇常閉或常開,可通過設置延時時間作“聯鎖跳閘”用。線路保護模式下無權限概念,上圖中的遠程復位按鈕長按>3秒,可進行復位操作。
注2:圖中MCT為保護裝置自帶電流互感器,≤400A 電流規格保護裝置三相主線路的電纜同方向一次穿芯,MCT引出線自帶的4芯端子直接插接到測控裝置的三相電流輸入端口(41#~46#);當饋出線回路的設計電流>400A時,三相主線路的電纜預先一次穿過3個外部保護CT(P1進,P2出),將外部CT二次側5A電流線按A、B、C相,同向一匝穿過保護裝置MCT6.3的三相孔。
注3:選擇漏電保護功能時,應選取合適穿線孔徑的剩余電流互感器(選型資料見P56頁)。不同的接地系統(如TT系統、IT系統、TN系統),剩余電流互感器的穿線方式及接地方式不同,請根據實際接地系統情況正確接線,上圖為TT系統接線圖。
注4:上圖二次控制回路的斷路器跳閘線圈回路中,建議如圖中所示,接入斷路器的常開輔助觸點(若測控裝置內部繼電器B輸出方式設置為電平方式則必須接入該輔助觸點;若測控裝置內部繼電器B輸出方式設置為短時脈沖方式,視情況可不接)。
● PD20KL低壓線路測控模式接線圖(框架斷路器回路)

PD20KL線路測控模式下,測控裝置左上角顯示“線路測控”字樣,當測控裝置收到合閘命令時,內部繼電器A (合閘繼電器)吸合,則斷路器合閘線圈得電,斷路器合閘,“合位”燈亮。當測控裝置收到分閘命令,或者有保護跳閘動作發生時,繼電器B(跳閘繼電器)吸合,則斷路器分勵線圈得電,斷路器分閘,“分位”燈亮。故障跳閘后需長按遠程“復位按鈕”方可清除故障指示。
注1:合閘、分閘/復位操作可以由測控裝置操作按鍵、遠端按鈕/DCS開關量命令、后臺通訊控制三種控制方式中的某一種來完成(需在測控裝置的系統設置中選擇操作權限:按鍵、遠端、程控,操作權限選定后,三種控制方式中只有一種被選的控制方式進行控制才有效)。外部故障保護功能可選擇關閉或打開,開入類型可選擇常閉或常開,可通過設置延時時間作“聯鎖跳閘”用。上圖中的遠端合閘按鈕、分閘/復位按鈕都采用點動式,分閘/復位按鈕短按為分閘,長按>3秒分閘并復位。
注2:當進線或饋出線回路采用框架斷路器控制時,三相主線路的銅排預先穿過3個外部保護CT(P1進,P2出),將外部CT二次側5A電流線按A、B、C相,同向一匝穿過保護裝置MCT6.3三相孔,MCT引出線自帶的4芯端子直接插接到測控裝置的三相電流輸入端口(41#~46#)。
注3:選擇漏電保護功能時,應選取合適穿線孔徑的剩余電流互感器(選型資料見P56頁)。不同的接地系統(如TT系統、IT系統、TN系統),剩余電流互感器的穿線方式及接地方式不同,請根據實際接地系統情況正確接線,上圖為TT系統接線圖。
注4:上圖二次控制回路的斷路器合閘線圈和跳閘線圈回路中,建議如圖中所示,分別接入斷路器的常閉和常開輔助觸點(若測控裝置內部繼電器A、B輸出方式設置為電平方式則必須接入該輔助觸點;若測控裝置內部繼電器A、B輸出方式設置為短時脈沖方式,視情況可不接)。