TRMC168系列多回路監控裝置主要應用于多個配出回路的電參數的監測系統或電能集抄系統,它將回路中的母線電壓、多個配出回路的電流、功率、電能集中測量顯示并通過RS485通訊口與上位機實現數據交換,并可對各個回路的開關狀態集中監測,極大地方便了用電自動化管理。TRMC168系列多回路監控裝置包括TRMC168-E1(單相多回路監控裝置)和TRMC168-E3(三相多回路監控裝置)兩種規格。一個TRMC168 多回路監控裝置就能實現對4個三相電網或12個單相電網的電參量的測量,大大方便了系統的接線、安裝、調試;節約了用戶的投資,降低了系統成本。
TRMC168系列多回路監控裝置具有精度高、穩定性好、實用性強、功能強大、體積小巧、安裝方便(采用DIN35mm導軌安裝)等優點,并具有良好的EMC性能。

*
測量顯示單相或三相網絡中的母線電壓、多回路電流、功率等電參數;多回路分別計量正、反向有功以及無功電能;
外配二次電流為5A或1A的測量CT(內置額定電流為5A的小型CT),外置CT二次線接入對應電流輸入端口;
可選配4路開關量輸入監測和1路繼電器報警輸出功能;
標配1路RS485通訊接口,MODBUS-RTU協議,可方便實現配網自動化;
帶有LCD顯示,方便組網時通訊參數設置和數據查看;
安裝方便,35mm標準導軌安裝方式 。
型號 | TRMC168-E1 | TRMC168-E3 | |
配電系統 | 低壓單相配出回路 | 低壓三相配出回路 | |
測量參數 | 母線電壓、出線電流、功率、電能、開關量 | ||
母線電壓 | 額定輸入 | 220V AC | |
測量范圍 | 40~400V AC | ||
過載 | 瞬時電壓2倍/10秒 | ||
電流回路 | 負載路數 | 3、6、9、12路可選 | 1、2、3、4路可選 |
額定輸入 | 1A、5A AC | ||
過載 | 持續1.2倍,瞬時電流10倍/5秒 | ||
測量精度 | 電流、電壓:0.5級;功率、電能:1.0級 | ||
輸入頻率 | 50Hz或60Hz(出口項目需標明電網頻率) | ||
開關量 (可選) | 輸入 | 4路開關量光耦隔離干接點輸入 | |
輸出 | 1 路繼電器遙控輸出,繼電器接點容量:5A 250VAC | ||
輔助電源 | AC/DC220V,極限范圍AC、DC85V~265V | ||
功耗 | ≤5VA | ||
數字通訊 | 標配1路RS485接口,支持MODBUS-RTU協議 | ||
顯示 | LCD顯示,配合編程操作按鍵可進行各電力參數查看和設置 | ||
絕緣電阻 | ≥100MΩ | ||
工頻耐壓 | 電源/輸入/輸出端口之間能承受AC2000V/1min | ||
工作環境 | -10~60℃,相對濕度≤93%,無腐蝕氣體,海拔高度≤2500m | ||
安裝方式 | 采用35mm標準導軌安裝方式 | ||
外形尺寸 | 168×106×60mm | ||
1、外形尺寸

2、安裝方式
安裝方式:固定安裝在35mm的標準導軌上。
1、 輔助電源、RS485數字通訊接口、1路繼電器輸出、4路開關量輸入監測:

注1:1#-2#端子接輔助電源,常規為AC/DC220V,極限范圍:AC、DC85V~265V;
注2:58#、59#、60#端子是RS485數字通訊接口位置,其中58#為通訊A端,59#為通訊B端,60#為通訊接地端(可接通訊線的屏蔽層);
注3:81#-82#端子為1 路繼電器遙控輸出,繼電器接點容量:5A 250VAC;
注4:70#、71#、72#、73#、74#端子是4路開關量光耦隔離干接點輸入位置(內部自帶電源,干接點輸入),其中70#端子是開關量輸入公共端。
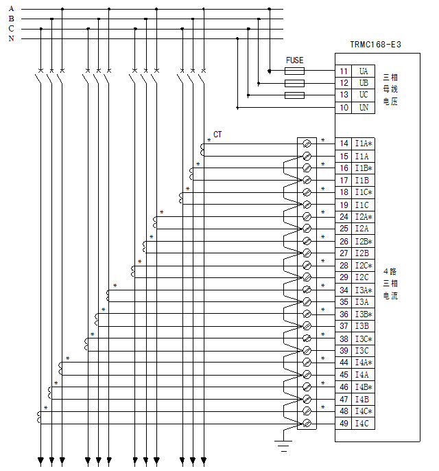
2、TRMC168-E3三相多回路監控裝置的電壓、電流信號輸入:

注1:第1路三相負載的A、B、C三相電流分別接入I1A、I1B、I1C(14、15、16、17、18、19端子);第2路三相負載的A、B、C三相電流分別接入I2A、I2B、I2C(24、25、26、27、28、29端子);第3路三相負載的A、B、C三相電流分別接入I3A、I3B、I3C(34、35、36、37、38、39端子);第4路三相負載的A、B、C三相電流分別接入I4A、I4B、I4C(44、45、46、47、48、49端子);
注2:“*”為電流互感器二次線進線端,接CT的S1端,另一端出線端可接地。
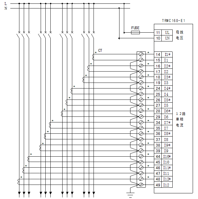
3、TRMC168-E1單相多回路監控裝置的電壓、電流信號輸入:

注:單相測量時,電壓與電流信號必須取同相。“*”為電流互感器二次線進線端,接CT的S1端,另一端出線端可接地。
訂貨時,請詳細寫明所需產品的型號、電壓/電流規格、接線方式、選配功能、訂貨數量等相關內容。