功能特點
監測消防設備主電源、備用電源的工作狀態;
監測消防設備主電源、備用電源,過壓、欠壓、缺相、過流等故障;
采用LCD實時顯示監控回路的電壓、電流值;
LED指示燈顯示監控回路的工作狀態;
具有開機自檢、手動自檢功能,用以檢查聲光報警的電氣完好性;
可以靈活設定超標電壓值、電流值;
監控器可以遠程設置信號傳感器上參數;
采用DC24V工作電壓,確保系統及人身安全。
工作電源電壓:二總線24VDC(工作范圍15~30VDC)
功耗:<0.5W
輸入額定電壓:相電壓AC220V(單相或三相四線制),線電壓AC380V(三相三線制)
輸入額定電流:AC5A或AC1A
測量精度:1%
開關量輸入:1路(濕接點接入,適用外部電源AC220V)
通訊:二總線無極性信號
最大通訊距離:≤1200m
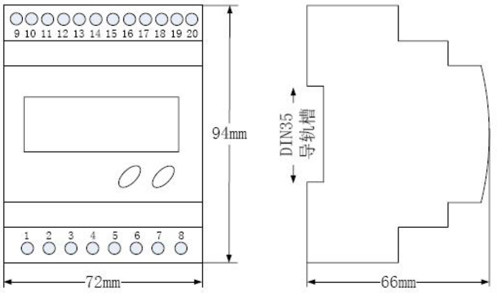
安裝方式:35mm導軌式安裝
工作溫度范圍:-20℃~55℃
儲存溫度范圍:-45℃~85℃
防護等級:IP30
產品符合:GB28184-2011
信號傳感器類型 | 型號 | 功能 |
電壓信號傳感器 | TRF611V | 監測單路單相交流電壓 |
TRF612V | 監測雙路單相交流電壓 | |
TRF616V | 監測六路單相交流電壓 | |
TRF631V | 監測單路三相交流電壓,三相四線制或三相三線制 | |
TRF632V | 監測雙路三相交流電壓,三相四線制或三相三線制 | |
電壓/電流 信號傳感器 | TRF611VA | 監測單路單相交流電壓及電流 |
TRF631VA | 監測單路三相交流電壓及電流,三相四線制或三相三線制 | |
TRF632VA | 監測雙路三相交流電壓+單路三相交流電流,三相四線制或三相三線制 |

(單位:mm)

TRF600系列電壓電流信號傳感器,采用35mm標準導軌卡裝方式,在配電柜或配電箱內的合適位置先固定卡裝信號傳感器的35mm標準導軌,信號傳感器背面的固定用滑塊拉出至外側,再把信號傳感器鉤掛在導軌上,最后向內側推動探測器上的滑塊,把信號傳感器卡牢在導軌上即可。
● 電壓電流信號傳感器1~8號端子定義(不含TRF632VA)
1 | 2 | 3 | 4 | 5 | 6 | 7 | 8 |
LA | LB- | — | — | — | — | COM | DI |
二總線(DC24V) | 保留 | 開關量輸入(AC220V) | |||||
● 電壓電流傳感器9~20號端子定義(不含TRF632VA)
規格/型號 | 9 | 10 | 11 | 12 | 13 | 14 | 15 | 16 | 17 | 18 | 19 | 20 | |
單路單相交流電壓 TRF611V | VN | VL | — | — | — | — | — | — | — | — | — | — | |
電壓輸入 | 保留 | ||||||||||||
雙路單相交流電壓 TRF612V | VN1 | VL1 | — | — | — | — | — | — | — | — | VL2 | VN2 | |
電壓輸入一 | 保留 | 電壓輸入二 | |||||||||||
六路單相交流電壓 TRF616V | VN1 | VL1 | VL2 | VL3 | — | — | — | — | VL6 | VL5 | VL4 | VN2 | |
三路單相電壓輸入 | 保留 | 三路單相電壓輸入 | |||||||||||
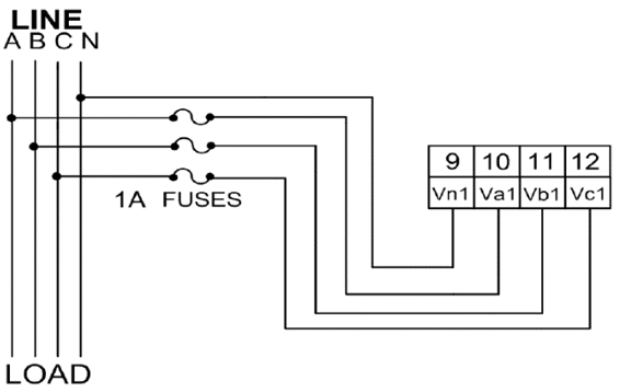
單路三相四線交流電壓TRF631V | VN1 | VA1 | VB1 | VC1 | — | — | — | — | — | — | — | — | |
三路四線電壓輸入 | 保留 | ||||||||||||
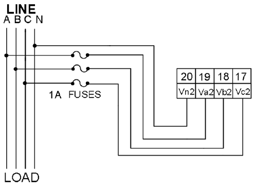
雙路三相四線交流電壓TRF632V | VN1 | VA1 | VB1 | VC1 | — | — | — | — | VC2 | VB2 | VA2 | VN2 | |
三路四線電壓輸入一 | 保留 | 三路四線電壓輸入二 | |||||||||||
單路三相三線交流電壓TRF631V | — | VA | VB | VC | — | — | — | — | — | — | — | — | |
三相三線電壓輸入 | 保留 | ||||||||||||
雙路三相三線交流電壓TRF632V | — | VA1 | VB1 | VC1 | — | — | — | — | VC2 | VB2 | VA2 | — | |
三相三線電壓輸入一 | 保留 | 三相三線電壓輸入二 | |||||||||||
單路單相交流電壓及電流TRF611VA | VN1 | VL1 | — | — | — | — | — | — | I* | I | — | — | |
電壓輸入 | 保留 | 電流輸入 | 保留 | ||||||||||
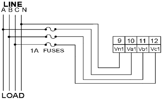
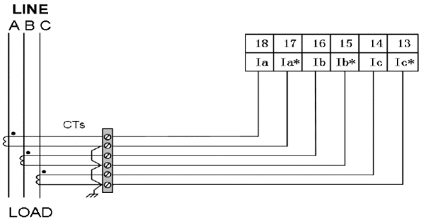
單路三相四線交流電壓及電流TRF631VA | VN1 | VA1 | VB1 | VC1 | IC* | IC | IB* | IB | IA* | IA | — | — | |
三相四線電壓輸入 | 三相電流輸入 | 保留 | |||||||||||
單路三相三線交流電壓及電流TRF631VA | — | VA1 | VB1 | VC1 | IC* | IC | IB* | IB | IA* | IA | — | — | |
三相三線電壓輸入 | 三相電流輸入 | 保留 | |||||||||||
●TRF632VA電壓電流信號傳感器端子定義
雙路三相交流電壓+ 單路三相交流電流 TRF632VA | 上排 | 9 | 10 | 11 | 12 | 13 | 14 | 15 | 16 | 17 | 18 | 19 | 20 | ||||
LA | LB | NC | NC | IC* | IC | IB* | IB | IA* | IA | DI | COM | ||||||
二總線 | 保留 | 電流輸入 | 開關量輸入 | ||||||||||||||
下排 | 1 | 2 | 3 | 4 | 5 | 6 | 7 | 8 | |||||||||
VN1 | VA1 | VB1 | VC1 | VC2 | VB2 | VA2 | VN2 | ||||||||||
三相四線電壓輸入一 | 三相四線電壓輸入二 | ||||||||||||||||
● TRF632V電壓傳感器典型接線示意圖

第一路三相電壓接線

第二路三相電壓接線
● TRF631VA電壓電流傳感器典型接線示意圖

三相電壓接線

三相電流接線