功能特點
具備1路或多路剩余電流實時監測和報警保護功能;
可實時監測箱體或各相電纜溫度,具備報警保護功能;
采用大屏幕LCD顯示監控回路的剩余電流、溫度等實時數據和運行信息;
“運行”、“報警”、“故障”等LED指示燈,直觀指示監控回路的工作狀態;
具有開機自檢、手動自檢功能,用以檢查聲光報警的電氣完好性;
可以靈活設定剩余電流、溫度的報警值和延時動作時長;
智能診斷探測器與剩余電流互感器、溫度傳感器之間的連接是否存在斷線、短路等故障;
聲、光報警,可以本地或遠程(監控設備)手動消音或復位;
采用現場總線通訊技術(RS485接口/MODBUS協議),與監控設備進行遠程通訊;
技術參數 | 性能指標 | |
顯示方式 | LCD切換或循環顯示(可編程設置) | |
工作 電源 | 工作電源范圍 | AC/DC:85V~265V |
功耗 | < 5VA | |
剩余 電流 保護 | 輸入范圍及精度 | 輸入范圍:AC 0~1000mA,分辨率:1mA,準確度:±1% |
報警設定范圍 | AC 300~1000mA(連續可調,步長:1mA) | |
報警延時時間 | 0~999.9S | |
溫度 保護 | 輸入范圍及精度 | 0~150℃,分辨率:1℃,誤差:±1℃ |
報警設定范圍 | 45~120℃(連續可調,步長:1℃) | |
報警延時時間 | 0~999.9S | |
電量 測量 | 輸入 | 線電壓:AC380V、AC100V(經PT)等,電流:AC5A、AC1A |
精度等級 | U、I、F為0.2級,P、Q、PF、Ep為0.5級,Eq為2.0級 | |
通訊接口 | RS-485通訊,MODBUS-RTU協議,波特率:2400~19200bps | |
開關量輸入 | 內激勵方式。 | |
開關量輸出 | 繼電器輸出形式,容量:AC 250V/5A,DC 30V/5A | |
安全 | 絕緣電阻 | 輸入、輸出、電源對機殼>100MΩ |
交流耐壓 | 輔助電源、輸入信號、輸出信號之間>2kV | |
外殼防護等級 | IP30 | |
環境 | 溫度 | 工作:-10℃~55℃,儲存:-25℃~70℃ |
相對濕度 | ≤93%,無凝露、無腐蝕性氣體場所 | |
海拔 | ≤2500m | |
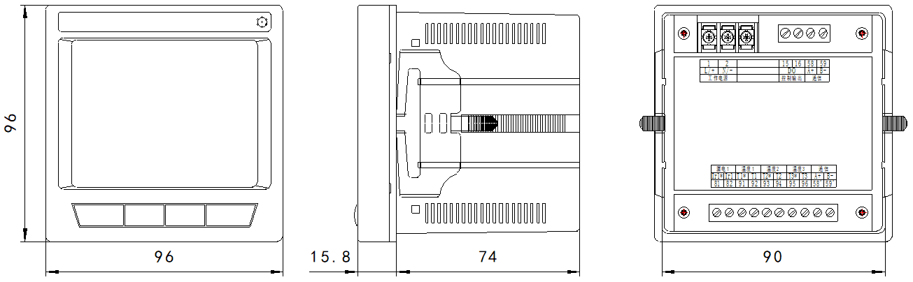
安裝方式 | 面板嵌入式安裝(開孔尺寸:91×91mm) | |
功能 型號 | TRFA-901-□ | ||||||||||
L1T1 | L1T3 | L4 | T4 | L4T4 | L8T8 | L10 | L12 | Z | ZE | ||
在線 監測 | 剩余電流 | 1路 | 1路 | 4路 | - | 4路 | 8路 | 10路 | 12路 | 1路 | 1路 |
溫度 | 1路 | 3路 | - | 4路 | 4路 | 8路 | - | - | 1路 | 1路 | |
保護 功能 | 剩余電流保護 | √ | √ | √ | - | √ | √ | √ | √ | √ | √ |
溫度保護 | √ | √ | - | √ | √ | √ | - | - | √ | √ | |
電量測量(U、I、Ep、Eq) | - | - | - | - | - | - | - | - | √ | √ | |
事件記錄 | √ | √ | √ | √ | √ | √ | √ | √ | √ | √ | |
數字通訊(RS485接口) | 1路 | 1路 | 1路 | 1路 | 1路 | 1路 | 1路 | 1路 | 2路 | 2路 | |
開關量輸入(DI) | - | - | - | - | - | - | - | - | 2路 | 2路 | |
繼電器輸出(DO) | 1路 | 1路 | 1路 | 1路 | 1路 | 1路 | 1路 | 1路 | 2路 | 2路 | |
顯示方式 | 大屏幕LCD顯示 | LED | |||||||||
外形尺寸 | 96×96×89.8mm | 96×96×108.3mm | |||||||||
注1:表格中打“√”表示具備此項功能,“-” 表示不具備此項功能;其中剩余電流監測保護和溫度監測保護功能,需要配套對應數量的TR-FR剩余電流互感器(按電流區分尺寸大小)和TR-FT溫度傳感器。
注2:以上表格中所列為常用的規格型號,若有特殊組合要求(剩余電流L+溫度T,總路數不大于16路),可與我公司工程技術部聯系(0510-86250305或80620056)。

注:在線監測的路數(剩余電流+溫度)≤4路的監控探測器,安裝深度為74mm;
在線監測的路數(剩余電流+溫度)> 4路或具有主回路電流等測量功能的監控探測器,安裝深度為92.5mm(增加了擴展的插拔式端子18.5mm)。
安裝方式

TRFA-901電氣火災監控探測器,采用面板嵌入式安裝方式,在配電柜或配電箱的門板上預先開一個91×91mm的方孔,拔下探測器兩側的固定卡,把探測器從門板正面放入安裝孔中,再用配套的固定卡插入探測器兩側的卡槽,然后前推,把探測器可靠地固定在門板上。
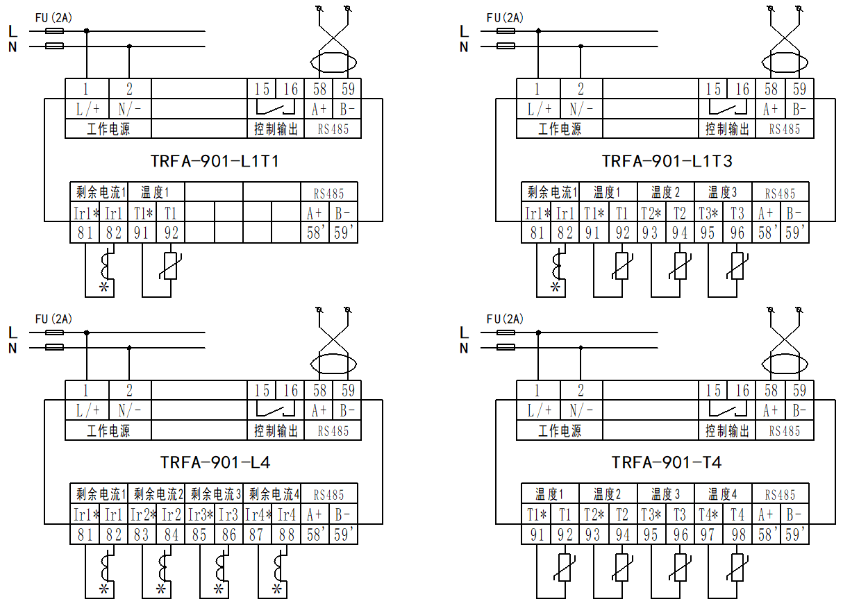
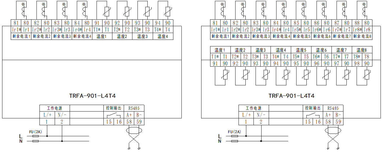
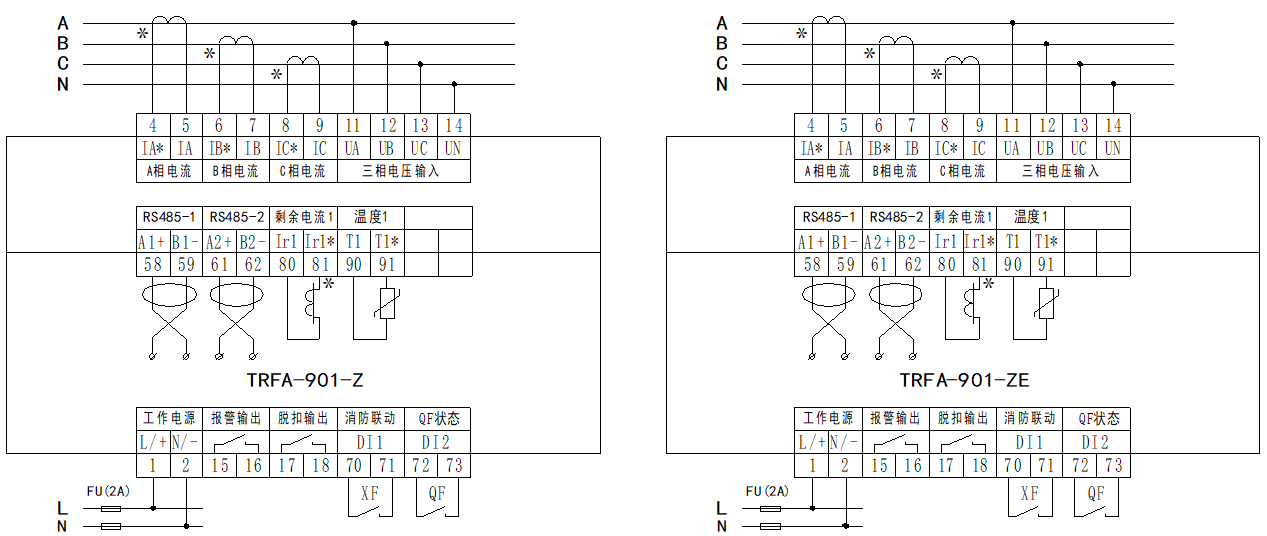
接線示意圖




注1:圖中58、59端子分別是RS485通訊端口的A+、B-,58’、59’是通訊線備用并接端子(內部分別與58、59端子接通);單路通訊線引接到端子排時,建議接58、59端子。
注2:在線監測的路數(剩余電流+溫度)> 4路和具有主回路電流等測量功能的監控探測器,80#端子是剩余電流輸入的公共端號,81~8g端子分別對應第1~第16路剩余電流輸入端;
90#端子是溫度信號輸入的公共端號,91~9g端子分別對應第1~第16路溫度信號輸入端。