PDR8710 系列綜合保護裝置主要是針對環網柜系統應用而開發,也可應用于低壓進線柜等作為低壓線路的綜合測控保護。該產品具有三段相間過流保護、多種動作特性曲線的反時限過流保護、零序過流(接地)保護、重合閘、過電壓、低電壓等多種保護及智能開關量輸入功能,還具有多電量測量、遙控、遙信等監控功能。
PDR8710 系列綜合保護裝置采用高集成度、總線不出芯片的微處理器處理來自電壓電流互感器的信號,通過數字邏輯運算控制裝置的輸出。裝置采用密封機箱,免維護設計,抗干擾性能好,非常適合于運行環境較為惡劣、安裝位置有限的環網柜系統。
1)整機采用極低功耗設計技術,保證保護功能在任何條件下可靠快速啟動。
2)裝置結構簡單小巧,安裝方便靈活,非常適合于環網柜的緊湊安裝條件。
3) 三段相間過流保護,零序(接地)電流保護,多種 IEC 標準反時限曲線選擇,還具有電壓保護功能。
4)速斷保護采用了短數據窗的快速算法,保證短路故障快速切除,避免越級跳閘。
5)保護配置靈活齊全,各種保護功能均可以通過控制字自由投退。
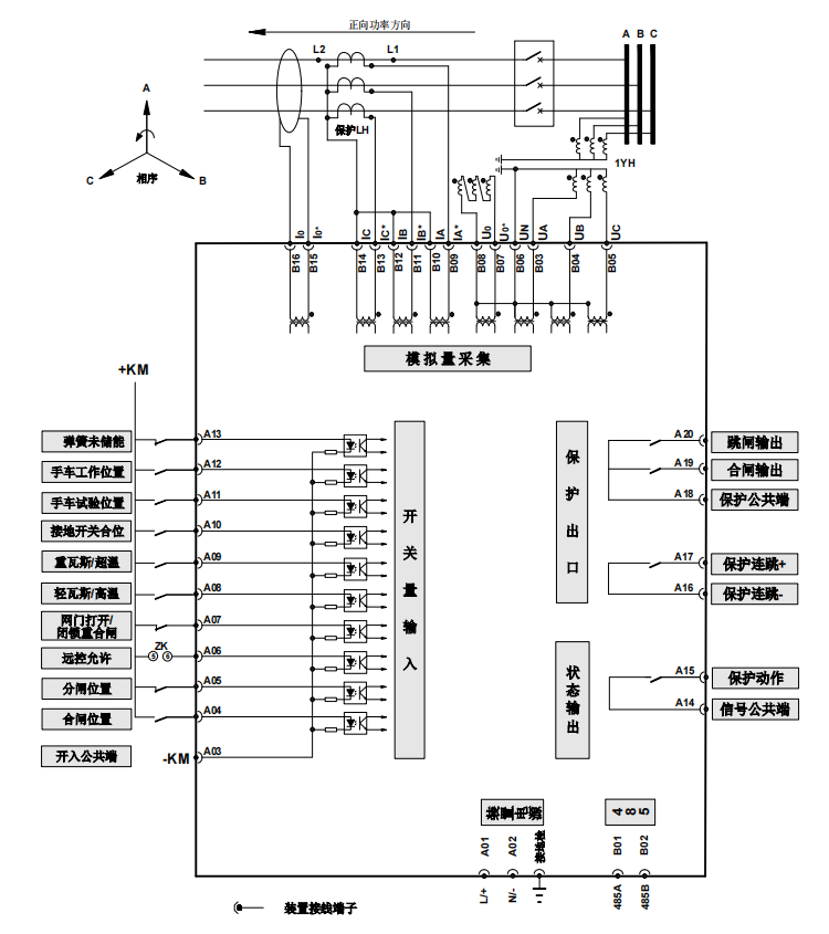
6)具有完善的測控功能,可以測量電壓、電流、有功功率、無功功率功率因數等電氣參數;并具有正反向有功電能、無功電能計量功能;提供遙控繼電器實現遙控功能;具有 10 路開關 量輸入監測,實現遙信功能。
7)采用全中文液晶顯示界面,多層菜單顯示,事件告警彈出式窗口設計,人機界面極為友好。
8)自動動態增益的電流測量回路設計,裝置具有極寬的測量范圍,同時滿足二次額定 1A 或 5A 的電流互感器。
9)零序電流采集方式可選擇(外部接入或內部計算)。
10)極寬的運行溫度適應范圍,并采用防水防塵設計,保證各種極端環境下運行可靠。
11)裝置記錄多種歷史事件類型,各種事件記錄容量不低于 100 條,裝置掉電數據不丟失,方便事故追憶。
12)裝置提供 RS-485 通訊接口,并向用戶提供開放的通訊協議,實現 SCADA 功能。
技術性能指標
1. 工作環境條件
環境溫度: 工作溫度 -20°C ~ 60°C
存儲溫度 -40°C ~ 85°C
相對濕度: 5% ~ 95%
大氣壓力: 70 KPa ~ 110KPa
海拔高度: ≤4000m
2.電氣技術參數
額定數據: 交流電壓: 100V 或 380V(訂貨注明,默認為 100V)
交流電流: 5A 或 1A(訂貨注明,默認為 5A)
頻 率: 50Hz 或 60Hz
輔助電源: AC220(110)V,±20%
DC220(110)V,±20%
DC48V,±20%
DC24V,±20%
過載能力:電壓回路 長期運行------1.5Un
電流回路 長期運行------10 A
10s--------------50 A
1s---------------100A
功率消耗:電源功率不大于 10W
交流輸入回路不大于 0.5VA/路
測量范圍:電壓 0.05Un ~ 2Un
相電流 0.05A ~ 50A
零序電流 0.05A ~ 50A
測量精度:瞬時量±0.5%(20% In~ 200%In);電能累計±2.0%(二次電能值累計范圍:0~999999.999kWh);
保護精度:±2.5%
保護動作時間:不大于 35ms
開入回路:外部提供電源,電壓類型可定制
3.絕緣性能
絕緣電阻
| 序號 | 試 驗 部 位 | 試 驗 要 求 | 備 注 |
| 1 | 交流回路對地 | 絕緣電阻>100 兆歐 | 用開路電壓 1000V 搖表測 |
| 2 | 交流回路和電源回路之間 | ||
| 3 | 電源回路對地 | ||
| 4 | 開關量輸入回路對地 | ||
| 5 | 開出回路對地 | ||
| 6 | 開關量輸入和開出回路之間 |
介質強度
| 序號 | 試 驗 部 位 | 試 驗 條 件 | 備 注 |
| 1 | 電源回路對地 | 在正常試驗大氣條件下, 裝置承受特定電壓(2 項 1000V,其余 2000V)歷 時 1 分鐘的工頻耐壓試 驗,被試回路施加電壓 時,其余回路等電位互連 接地 | 無擊穿閃絡及元件損壞情況 |
| 2 | 通訊回路對地 | ||
| 3 | 交流回路對地 | ||
| 4 | 交流回路和電源回路之間 | ||
| 5 | 開關量輸入回路對地 | ||
| 6 | 開出回路對地 | ||
| 7 | 開關量輸入和開出回路之間 |
沖擊電壓
| 序號 | 試 驗 部 位 | 試 驗 條 件 | 備 注 |
| 1 | 交流回路對地 | 在正 常試驗 大氣條 件 下,裝置承受 1.2/50us 的標準雷電波的短時沖 擊電壓試驗,開路試驗 電壓 5KV | 無擊穿閃絡、絕緣損壞及 元件損壞情況 |
| 2 | 交流回路和電源回路之間 | ||
| 3 | 電源回路對地 | ||
| 4 | 開關量輸入回路對地 | ||
| 5 | 開出回路對地 | ||
| 6 | 開關量輸入和開出回路之間 |
4.耐濕熱性能
裝置應能承受 GB/T 2423.9 規定的恒定濕熱試驗。實驗溫度+40℃±2℃,相對濕度(93±3)%,試驗時間 48h。 在試驗結束前 2h 內根據 2.3.1 的要求,分別測量各回路間的絕緣,電阻應不小于 1.5MΩ;介質耐壓強度不低于 2.3.2 規定的介質強度試驗電壓幅值的 75%。
5.抗電磁干擾
靜電放電抗干擾度 通過 GB/T 17626.2-1998 標準、靜電放電抗干擾度 4 級試驗。
射頻電磁場輻射抗干擾度 通過 GB/T 17626.3-1998 標準、射頻電磁場輻射抗干擾度 4 級試驗。
電快速瞬變脈沖群抗擾度 通過 GB/T 17626.4-1998 標準、電快速瞬變脈沖群抗擾度 4 級試驗。
浪涌沖擊抗擾度 通過 GB/T 17626.5-1998 標準、浪涌沖擊抗擾度 4 級試驗。
6.機械性能
振動 通過 GB/T 7261 中 16.2 規定的嚴酷等級為 I 級的振動響應試驗。
沖擊 通過 GB/T 7261 中 17.4 規定的嚴酷等級為 I 級的沖擊響應試驗。
碰撞 通過 GB/T 7261 中第 18 章規定的嚴酷等級為 I 級的碰撞響應試驗。
7.防護等級 IP52
產品選型:
| 產品型號及名稱 | 適用范圍 | 安裝開孔尺寸 | 主要功能 |
| PDR8710綜合保護裝置(橫式) | 10kV/6kV等電壓等級變壓器、電容器出線間隔的綜合性保護(斷路器手動分合控制線路不通過綜保,建議應用在環網柜或低壓進線柜) | 門板嵌入卡裝,開孔尺寸:L147.5×W70mm | 保護功能:三段相間過流定時限保護、反時限過流保護、過負荷保護、三相一次重合閘保護、重合閘加速保護、相間充電保護、兩段式負序過流保護、零序過流保護、零序反時限過流保護、過壓保護、低壓保護、零序過壓保護、低頻減載保護、3路非電量保護等; 遙測功能:采集三相電流、電壓、零序電流、零序電壓、有功功率、無功功率、功率因數、頻率等參數,并具有正反向電能累計功能; 遙信功能:10路開入量采集(外加電源:AC220V、DC110V、DC220V、DC24V、DC48V等); 控制功能:保護動作可跳斷路器;標配一路RS485接口,支持MODBUS-RTU協議,可遙控分合斷路器(遠控權限下); 輔助指示和狀態輸出:分位、合位、告警、事故指示,保護動作輸出; |
| PDR8710S綜合保護裝置(豎式) | 門板嵌入卡裝,開孔尺寸:L70×W147.5mm | ||
| PDR8710W無源型綜合保護裝置(橫式) | 10kV/6kV等電壓等級間隔的綜合性保護,通過電流互感器,從高壓電纜中互感出能量,通過模電技術設計出開關電源,供數字電路工作,建議應用在六氟化硫充氣柜等無獨立電源的柜體 | 門板嵌入卡裝,開孔尺寸:L147.5×W70mm | 保護功能:三段相間過流保護、反時限過流保護、零序過流保護、3路非電量保護等; 遙測功能:采集三相電流、零序電流等參數; 遙信功能:5路開入量采集(內置電源供電); 控制功能:保護動作可跳斷路器,脫扣輸出區分類型(DC24V、DC48V、DC220V脈沖輸出,或干接點輸出);標配一路RS485接口,支持MODBUS-RTU協議,用于遙測、遙信,不用作遙控; 輔助指示和狀態輸出:告警、動作指示,保護動作輸出; |
| PDR8710SW無源型綜合保護裝置(豎式) | 門板嵌入卡裝,開孔尺寸:L70×W147.5mm |
外形結構尺寸圖:

外形結構及安裝說明
PDR8710 系列綜保裝置具有統一的箱體結構尺寸,具有兩種端子引出方式(背面引出插板式及電流端子柵 欄式)和兩種安裝方向(默認橫式,可選豎式 PDR8710S)。豎式安裝開孔方向是在橫式安裝方向基礎上旋轉 90°。

PDR8710 開孔尺寸圖

PDR8710S 正視圖&開孔尺寸圖

端子接線示意圖
說明:此圖為直流供電接線示意圖;若操作電源為交流時,“+KM”改為“L”,“-KM”改為“N”。